Loading...


Enter Operating Conditions
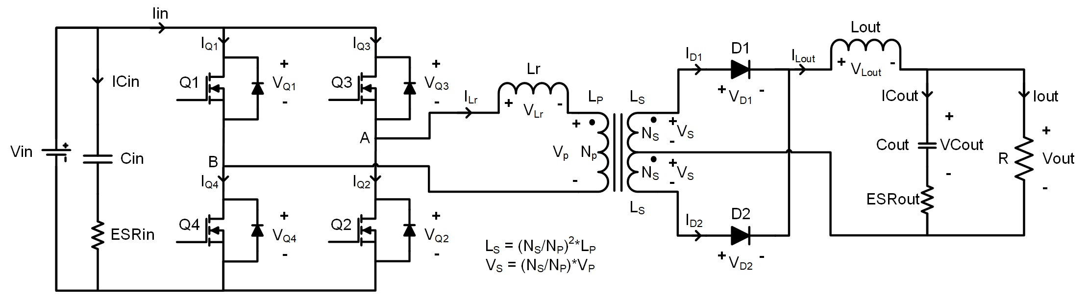
Vin [V_DC]: Np: Ns: Vout [V_DC]: Iout [A_DC]:
fsw [Hz]: N [No. of // FETs]:

Enter Gate Driver Parameters
Vgdrive [V]: Rg_Ext [Ω]: Rpu [Ω]: Rpd [Ω]: Ph_Delay [in °]:

Enter Diode Parameters
VF_D1 [V]: Qrr_D1 [C]: VF_D2 [V]: Qrr_D2 [C]:

Enter Transformer Parameters
fs [Hz]: Lp [H]: DCRp [Ω]: DCRs [Ω]: Kh [Constant]:
B_TF [Tesla]: x [Exponent]: A_core_TF [m²]: L_core_TF [m]: Ke [Constant]:
t_core_TF [m]:

Other Circuit Parameters
Lr [H]: DCRr [Ω]: Kh_Lr [Constant]: B_Lr [Tesla]: x_Lr [Exponent]:
Lout [H]: DCRout [Ω]: Kh_Lout [Constant]: B_Lout [Tesla]: x_Lout [Exponent]:
Cin [F]: ESRin [Ω]: Cout [F]: ESRout [Ω]:

Enter Thermal Parameters
TA [°C]: RthCA_Q1 [°C/W]: RthCA_Q2 [°C/W]: RthCA_Q3 [°C/W]: RthCA_Q4 [°C/W]:
TempCoeff [Rdson-TC Default]:

Calculated Parameters
D: Tsw [s]: Ls [H]: diL [in %]: dVCout [in %]:


Select Your Power Devices
Use parametric data from datasheet tables        Add measurement data from datasheet graphs

Select Mosfet Part [Q1]

Material Qualification
RDSON [Ohm] - Mounting
VDS [V] Package Area [mm2] -



   OR   

Note: Configuration, VDS [V], RDSon [mOhm] (Typ/Max), Vth_Max [V], Vgp_Typ [V]

Select Mosfet Part [Q2]

Material Qualification
RDSON [Ohm] - Mounting
VDS [V] Package Area [mm2] -



   OR   

Note: Configuration, VDS [V], RDSon [mOhm] (Typ/Max), Vth_Max [V], Vgp_Typ [V]

Select Mosfet Part [Q3]

Material Qualification
RDSON [Ohm] - Mounting
VDS [V] Package Area [mm2] -



   OR   

Note: Configuration, VDS [V], RDSon [mOhm] (Typ/Max), Vth_Max [V], Vgp_Typ [V]

Select Mosfet Part [Q4]

Material Qualification
RDSON [Ohm] - Mounting
VDS [V] Package Area [mm2] -



   OR   

Note: Configuration, VDS [V], RDSon [mOhm] (Typ/Max), Vth_Max [V], Vgp_Typ [V]


Converter Steady State Waveforms (assuming ideal switches)


Please wait.. We are currently processing your request, which may take some time to load.

  • STEP-1
  • STEP-2
  • STEP-3
  • STEP-4
  • STEP-5
  • STEP-6
  • STEP-7
  • STEP-8



Loading.. ILav, IL=Is, Ip Vs. Time
IL_RMS = 20.009 A


Loading.. VL, Vin, Vout Vs. Time


Loading.. Iin, ICin Vs. Time
Iin_RMS = 6.323 A
ICin_RMS = 4.946 A


Loading.. Vp, Vs Vs. Time


Loading.. Q1_Parameters Vs. Time
Q1_VDS_RMS = 33.276 V
Q1_IDS_RMS = 7.729 A


Loading.. Q2_Parameters Vs. Time
Q2_VDS_RMS = 36.444 V
Q2_IDS_RMS = 6.406 A


Loading.. Q3_Parameters Vs. Time
Q3_VDS_RMS = 31.603 V
Q3_IDS_RMS = 7.018 A


Loading.. Q4_Parameters Vs. Time
Q4_VDS_RMS = 34.816 V
Q4_IDS_RMS = 6.644 A


Loading.. VGS Vs. Time


Loading.. VDS Vs. Time
Q1_VDS_RMS = 33.276 V
Q2_VDS_RMS = 36.444 V
Q3_VDS_RMS = 31.603 V
Q4_VDS_RMS = 34.816 V


Loading.. IDS Vs. Time
Q1_IDS_RMS = 7.729 A
Q2_IDS_RMS = 6.406 A
Q3_IDS_RMS = 7.018 A
Q4_IDS_RMS = 6.644 A


Loading.. PowerLoss Vs. Time