Loading...


Enter Operating Conditions
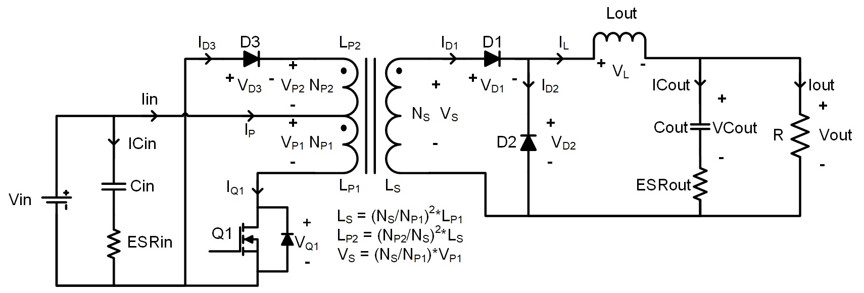
Vin [V_DC]: Np1: Np2: Ns: Vout [V_DC]:
Iout [A_DC]: fsw [Hz]: N1 [Q1 // FETs]:

Enter Thermal Parameters
TA [°C]: RthCA_Q1 [°C/W]: TempCoeff [Rdson-TC Default]:

Enter Gate Driver Parameters
Vgdrive [V]: Rg_Ext [Ω]: Rpu [Ω]: Rpd [Ω]:

Enter Diode Parameters
VF_D1 [V]: Qrr_D1 [C]: VF_D2 [V]: Qrr_D2 [C]: VF_D3 [V]:
Qrr_D3 [C]:

Enter Transformer Parameters
Lp1 [H]: DCRp1 [Ω]: DCRp2 [Ω]: DCRs [Ω]: Kh [Constant]:
B_TF [Tesla]: x [Exponent]: fs [Hz]: A_core_TF [m²]: L_core_TF [m]:
Ke [Constant]: t_core_TF [m]:

Other Circuit Parameters
Lout [H]: DCRout [Ω]: Kh_Lout [Constant]: B_Lout [Tesla]: x_Lout [Exponent]:
Cin [F]: ESRin [Ω]: Cout [F]: ESRout [Ω]:

Calculated Parameters
D: Tsw [s]: Lp2 [H]: Ls [H]: diLout [in %]:
dVCout [in %]:


Select Your Power Devices
Use parametric data from datasheet tables        Add measurement data from datasheet graphs

Select Mosfet Part [Q1]

Material Qualification
RDSON [Ohm] - Mounting
VDS [V] Package Area [mm2] -



   OR   

Note: Configuration, VDS [V], RDSon [mOhm] (Typ/Max), Vth_Max [V], Vgp_Typ [V]


Converter Steady State Waveforms (assuming ideal switches)


Please wait.. We are currently processing your request, which may take some time to load.

  • STEP-1
  • STEP-2



Loading.. ILav, IL Vs. Time
IL_RMS = 5.002 A


Loading.. VL, Vin, Vout Vs. Time


Loading.. Iin, ICin Vs. Time
Iin_RMS = 2.501 A
ICin_RMS = 0.072 A


Loading.. Vp1, Vp2, Vs Vs. Time


Loading.. Q1_Parameters Vs. Time
Q1_VDS_RMS = 130.163 V
Q1_IDS_RMS = 1.906 A


Loading.. PowerLoss Vs. Time